Sidekick Vise

Fireball ToolSKU: FA75-SDV400

For Tables: Dragon Wagon (4" Sidewall Tables Only)
Price:
Sale price$225 USD

Sidekick Vise

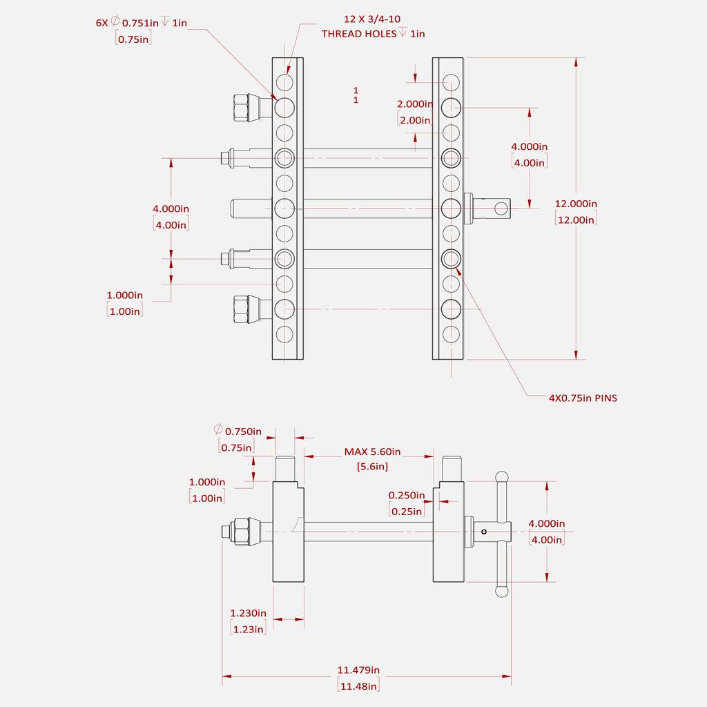
The Sidekick Vise is designed to mount to the side of your Fireball table and provides a quick and easy way to hold parts for grinding or sanding. It features a low-profile lip that allows you to clamp parts while maximizing the area available for welding or grinding operations.

  • You can use the Side Vise with ¾-inch system fixtures, or use it on its own. Because the top of the vise sits flush with the table surface, you can also use the table as part of the backstop, allowing you to clamp very large workpieces.
  • The vise comes with basic pins included, with the option to upgrade to special vise pins (FA75-SVP102-4PPK).

 

  • The FA75-SDV210 Side Vise is an alternate version of the FA75-SDV400 and FA75-SDV800.

- It features an extra-wide body, allowing larger material to pass vertically through the sides.

- This vise uses a traditional rod handle instead of a handwheel, as the shallow depth would cause a handwheel to protrude above the table surface.

- It is compatible with tables that have 4", 6", and 8" sidewalls, but is not compatible with the Pro Table Adapter (FA75-SAB104).

FA75-SDV210 — Wide Body

Fits Fireball Tables with 4", 6", and 8" sidewalls. Best choice if you need to pass larger material vertically through the vise body.

Black mechanical device with a handle and multiple mounting points.

FA75-SDV400 — Dragon Wagon

Fits Fireball Tables with 4" sidewalls only. Compact profile for smaller table setups.

FA75-SDV800 — Heavy Duty / Standard Duty

Fits Fireball Tables with 6" and 8" sidewalls.


FA75-SDV210 — Wide Body | Fits Fireball Tables with 4", 6", and 8" sidewalls

FA75-SDV400 | Fit Dragon Wagon  4" sidewalls only

FA75-SDV800 | Fit Heavy Duty / Standard Duty  4" and 6" sidewalls only

Compatable with Dragon Wagon (4" Side Wall Tables)

Extra hardware required for use with the Dragon Wagon Slag Tray accessory. Spacers & longer bolts are necessary to attached both the slag tray and sidekick vise together.

Compatable with Heavy Duty/Standard Duty Fireball Tables (6" & 8" Side Wall Tables)


Installation Instructions For FA75-SDV400 (Dragon Wagon)

  • When installing vise with 4" side wall tables (Dragon Wagon Series) there will be extra spacers and bolts for lowering the main slag tray, which do not need to be used if there is no slag tray.

User Notes:

  • This item cannot be mounted in the corners of the tables due to ribbing and leg pads in those locations. Please check your table to see where you intend to mount it
  • For users of the Dragon Wagon Series with 4" side walls, the vise will require removal of the smaller slag tray the slag tray kit.

How To Install Spacer Block On DIY Series Tables

  • To Install on the PDY Series of tables a spacer block MUST be welded to the frame of the table.

This adapter is engineered to seamlessly integrate the Sidekick vise with our Fireball DIY series tables. Its versatile design also allows for mounting on various surfaces, including workbenches and machinery.

  • A precision-milled relief at the top enhances compatibility with our tooling when used on DIY tables.
  • Short bolts for Sidekick vise attachment are included.
A person using a grinder on metal with sparks flying.

Optional Add-Ons

Sold out
Sold out

You may also like

Recently viewed